• 加拿大28
  • 电话:021-51875578
  • 传真:021-57443237
  • 手机:13916747333
  • 邮箱:a15566@126.com
  • 地址:奉贤区工业综合开发区942号
当前位置:首页 >> 陶瓷阀门 >> 陶瓷蝶阀 >> 三偏心陶瓷蝶阀
更新时间 2025-12-4 21:18:59


陶瓷蝶阀
    三偏心陶瓷蝶阀
    三偏心陶瓷蝶阀   产品名称: 三偏心陶瓷蝶阀
    型号:D373TC
    口径:DN50-500
    压力:0.6-6.4MPa
    材质:铸钢、不锈钢

    良大优势:

    1、质量稳定:实行全过程质量监控
    细心把关,全方位检测!
    2、价格合理:高效率的成本控制
    减少开支,让利于客户!
    3、交货快捷:充足的库存,便捷的物流
    严格按照合同期交货!

    订货须知:

    请您尽量提供详细参数
    ①名称 ②型号 ③口径 ④压力 ⑤材质
    ⑥连接 ⑦传动 ⑧温度 ⑨介质 ⑩附件

    良大服务:

    提供全套流体控制解决方案,良大阀门
    售前、售中、售后专业服务。
    您正在浏览:【三偏心陶瓷蝶阀

       三偏心陶瓷蝶阀详细介绍


    三偏心陶瓷蝶阀产品概述:

    三偏心陶瓷蝶阀的阀板密封面和阀座密封面采用高性能耐磨增韧结构陶瓷材料,采用三维偏心加斜锥角原理设计,使密封副的空间运动轨迹达到最理想的状态,同时保证良好的密封性能。

    三偏心陶瓷蝶阀结构特点:

    三偏心陶瓷蝶阀的阀板密封面和阀座密封面采用高性能耐磨增韧结构陶瓷材料,采用三维偏心加斜锥角原理设计,使密封副的空间运动轨迹达到最理想的状态,同时保证良好的密封性能。

    1、阀门整体结构紧凑,体积小,重量轻,安装使用维护方便。

    2、陶瓷蝶阀密封面为一对结构陶瓷密封副,采用先进的陶瓷球面加工技术加工而成,结构陶瓷材质的高硬度和优异的耐腐蚀性能使陶瓷蝶阀适用于多种磨损及腐蚀性工况。

    3、密封副间三偏心锥角结构使蝶阀开启瞬间两密封面即刻相互脱离,以减少磨损性介质对阀门密封面的损伤。


    三偏心陶瓷蝶阀应用规范:

    设计规范:JB/T 8527
    结构长度:GB/T 12221
    连接标准:GB/T 9113
    压力试验:JB/T 9092
    产品标识:GB/T 12220
    供货规范:GB/T 12252

    三偏心陶瓷蝶阀零件材料

    主体:碳钢(WCB)、不锈钢(CF8、CF8M、CF3、CF3M)等

    蝶板:不锈钢

    阀杆:不锈钢

    填料:橡胶/聚四氟乙烯/编织石墨

    公称通径:DN50-DN500(2"-20")

    公称压力:PN6-PN64

    适用温度:-29~+425℃

    操作方式:手轮,伞齿轮、气动、电动、液动、电液(可选)

    适用介质:纸浆、污水、煤浆、矿渣等磨损性介质


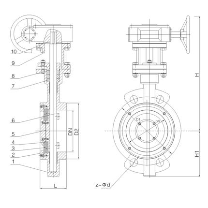
    三偏心陶瓷蝶阀
    外形结构图:



    三偏心陶瓷蝶阀连接尺寸:

     DN

     PN(Mpa)

     L

     D1

     D2

     H

     H1

     z-Φd

      50 

     1.0

     43

     125

     100

     260

      85 

     4-Φ18

     65

      46 

    145 

    120 

     285

     95

     4-Φ18

     80

     49

    160 

    135 

     322

     110

    4-Φ18

     100

     56

    180 

    155 

    338 

     122

     8-Φ18

     125

     64

    210 

    185 

    372 

     138

    8-Φ18 

     150

     70

    240 

    210 

    404 

     158

    8-Φ23 

     200

     71 

    295 

    265 

    496 

     188

     8-Φ23

     250

    76 

    350 

     320

    558 

     224

    12-Φ23

     300

    83

    400 

    368 

     632

     254

    12-Φ23


    提示:本文中所有文字、数据、图片均只适用于参考,需要了解更详细的【三偏心陶瓷蝶阀】参数、选型、价格等请联系我们,我们将竭诚为您服务!