• 加拿大28
  • 电话:021-51875578
  • 传真:021-57443237
  • 手机:13916747333
  • 邮箱:a15566@126.com
  • 地址:奉贤区工业综合开发区942号
当前位置:首页 >> 真空阀门 >> 真空挡板阀 >> 高真空气动挡板阀
更新时间 2025-12-4 21:18:34


真空挡板阀
    高真空气动挡板阀
    高真空气动挡板阀   产品名称: 高真空气动挡板阀
    型号:GDQ-J/KF
    口径:DN10-50
    压力:0.6×106 ~1.3×10-4
    材质:304、316、316L不锈钢

    良大优势:

    1、质量稳定:实行全过程质量监控
    细心把关,全方位检测!
    2、价格合理:高效率的成本控制
    减少开支,让利于客户!
    3、交货快捷:充足的库存,便捷的物流
    严格按照合同期交货!

    订货须知:

    请您尽量提供详细参数
    ①名称 ②型号 ③口径 ④压力 ⑤材质
    ⑥连接 ⑦传动 ⑧温度 ⑨介质 ⑩附件

    良大服务:

    提供全套流体控制解决方案,良大阀门
    售前、售中、售后专业服务。
    您正在浏览:【高真空气动挡板阀

       高真空气动挡板阀详细介绍


    高真空气动挡板阀产品概述:

    高真空气动挡板阀采用氟橡胶轴封密封,是用于真空系统中开启或切断气流的真空阀门。阀门以压缩空气为动力。通过气缸执行,电磁换向阀改变气路方向带动阀杠上下运动,达到阀板开启或关闭的目的。本阀门性能可靠、寿命长等优点,阀门具有常开和常闭功能,可选配磁性开关信号控制和防爆电磁阀装置。适用的工作介质为空气及非腐蚀性气体。

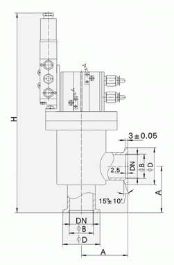
    高真空气动挡板阀外形结构图:


    高真空气动挡板阀技术性能及连接尺寸:


    提示:本文中所有文字、数据、图片均只适用于参考,需要了解更详细的【高真空气动挡板阀】参数、选型、价格等请联系我们,我们将竭诚为您服务!