- 加拿大28
- 电话:021-51875578
- 传真:021-57443237
- 手机:13916747333
- 邮箱:a15566@126.com
- 地址:奉贤区工业综合开发区942号
当前位置:首页 >> 气动阀门
>> 气动球阀 >> 气动三通Y型球阀 更新时间 2025-12-4 21:25:50
气动球阀
| 气动三通Y型球阀 |
![]() |
产品名称: | 气动三通Y型球阀 | |||||
| 型号: | Q642F/H/Y | ||||||
| 口径: | DN50-400 | ||||||
| 压力: | 1.0-6.4MPa | ||||||
| 材质: | 碳钢、不锈钢等 | ||||||
|
|||||||
| 您正在浏览:【气动三通Y型球阀】 | |||||||
气动三通Y型球阀详细介绍
气动三通Y型球阀产品概述:
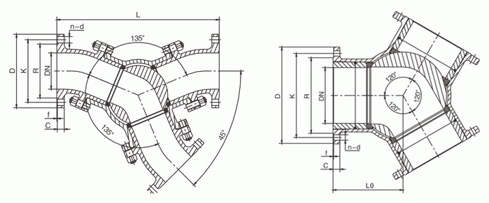
气动三通Y型球阀主要由三通Y型球阀和气动执行机构以及电磁阀、限位开关、空气过滤减压阀等控制装置组成,其阀体中设有Y形流体通道,并放置有接通或切断流体通道的球体,球体上有一体成型的阀杆,气动驱动装置与阀杆固定连接,当气缸与电路和系统气源接通后,空气通过管道A或B管进入A缸(B缸)推动活塞向一端运动,从而驱动阀杆带动球体转动120°或135°,实现介质流向的切换与自动控制的功能。
气动三通Y型球阀阀体采用的是一进两出(一个进料口,二个出料口)的Y形三通结构,其带柄球体两通孔呈120°或135°。该阀出厂初始状态为右出料口关闭,进料口与左出料口相通,当需要换向时,接通气源,气源压力作用在气缸活塞上产生一个推力,带动阀杆旋转120°或135°,球体位移,使阀门进料口与右出料口相通,左出料口关闭。本产品操作机构可选用120°或135°角行程GT、AT、AW系列双作用气动执行器。
气动三通Y型球阀技术规范:
气动三通Y型球阀零件材料:

气动三通Y型球阀外形结构图:

气动三通Y型球阀外形尺寸表:

提示:本文中所有文字、数据、图片均只适用于参考,需要了解更详细的【气动三通Y型球阀】参数、选型、价格等请联系我们,我们将竭诚为您服务!



















