- 加拿大28
- 电话:021-51875578
- 传真:021-57443237
- 手机:13916747333
- 邮箱:a15566@126.com
- 地址:奉贤区工业综合开发区942号
当前位置:首页 >> 塑料阀门
>> 塑料蝶阀 >> 手柄式塑料蝶阀 更新时间 2025-12-4 21:15:11
塑料蝶阀
| 手柄式塑料蝶阀 |
![]() |
产品名称: | 手柄式塑料蝶阀 | |||||
| 型号: | D71X-10S | ||||||
| 口径: | DN50-150 | ||||||
| 压力: | 0.6-1.6MPa | ||||||
| 材质: | RPP/PPH/UPVC/CPVC/PVDF | ||||||
|
|||||||
| 您正在浏览:【手柄式塑料蝶阀】 | |||||||
手柄式塑料蝶阀详细介绍
D71X-10S手柄式塑料蝶阀概述:
手柄式塑料蝶阀为中线密封塑料蝶阀,D71X-10S手柄式塑料蝶阀阀杆与蝶板融为一体,蝶板旋转90°,即可实现阀门的启闭过程。连接方式为对夹式。适用介质:水、空气、油类、腐蚀性化学液体,阀体结构采用中线式。塑料蝶阀分类:手柄式塑料蝶阀,蜗轮式塑料蝶阀,气动塑料蝶阀,电动塑料蝶阀等。塑料蝶阀是对阀体内介质所能达到的地方全采用衬里工艺,内衬材料采用FEP(F46)和PCTFE(F3)等氟塑料,广泛适用于各种不同类型工业管道中液体和气体(包括蒸气)的输送,有严重腐蚀性介质的使用场合,如:硫酸、盐酸、氢氟酸、磷酸、氯气、强碱、王水和各种有机酸等具有强腐蚀性的介质。D71X-10S手柄式塑料蝶阀结构特点:
1、外型美观、结构新颖、重量轻容易安装、适用性广。
2、具有优良的耐腐蚀性能和耐老化、抗紫外线性能。
3、具有较高的机械强度和韧性,流道平滑,阻力小。
4、材质卫生无毒、耐磨损、容易拆卸,维护简单易行。
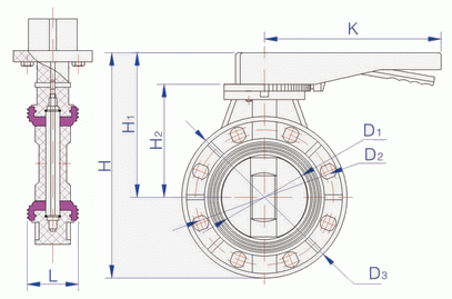
D71X-10S手柄式塑料蝶阀外形结构图:

D71X-10S手柄式塑料蝶阀连接尺寸:
公称通径 |
D1 |
D2 |
D3 |
H |
H1 |
H2 |
K |
L |
50 |
48 |
125 |
160 |
225 |
100 |
145 |
190 |
43 |
65 |
63 |
145 |
180 |
245 |
112 |
155 |
190 |
46 |
80 |
78 |
160 |
196 |
270 |
120 |
172 |
240 |
49 |
100 |
98 |
180 |
228 |
308 |
140 |
194 |
240 |
54 |
125 |
122 |
210 |
258 |
352 |
168 |
223 |
310 |
64 |
150 |
146 |
240 |
287 |
382 |
181 |
239 |
310 |
70 |
单位为毫米(mm) |
||||||||
提示:本文中所有文字、数据、图片均只适用于参考,需要了解更详细的【手柄式塑料蝶阀】参数、选型、价格等请联系我们,我们将竭诚为您服务!



















