• 加拿大28
  • 电话:021-51875578
  • 传真:021-57443237
  • 手机:13916747333
  • 邮箱:a15566@126.com
  • 地址:奉贤区工业综合开发区942号
当前位置:首页 >> 刀闸阀 >> 耐磨刀闸阀 >> 陶瓷耐磨刀闸阀
更新时间 2025-12-4 21:19:15


耐磨刀闸阀
    陶瓷耐磨刀闸阀
    陶瓷耐磨刀闸阀   产品名称: 陶瓷耐磨刀闸阀
    型号:PZ73TC
    口径:DN50-600
    压力:1.0-6.4MPa
    材质:铸钢、不锈钢等

    良大优势:

    1、质量稳定:实行全过程质量监控
    细心把关,全方位检测!
    2、价格合理:高效率的成本控制
    减少开支,让利于客户!
    3、交货快捷:充足的库存,便捷的物流
    严格按照合同期交货!

    订货须知:

    请您尽量提供详细参数
    ①名称 ②型号 ③口径 ④压力 ⑤材质
    ⑥连接 ⑦传动 ⑧温度 ⑨介质 ⑩附件

    良大服务:

    提供全套流体控制解决方案,良大阀门
    售前、售中、售后专业服务。
    您正在浏览:【陶瓷耐磨刀闸阀

       陶瓷耐磨刀闸阀详细介绍


    陶瓷耐磨刀闸阀产品概述:

    陶瓷耐磨刀闸阀具有可提升的闸板密封面,可刮除密封面上的粘着物,自动清除杂物。闸板、阀座密封面材料采用结构陶瓷制造,耐磨损、耐腐蚀、抗高温蠕变和热震性,可实现长寿命免维护。结构长度可根据用户要求订做,并可根据用户要求做成明杆或暗杆。产品广泛适用于灰渣、泥渣、煤浆、矿浆、污水等固体、液固、气固二相介质输送系统,尤其适用于火力发电厂石子煤系统。

    陶瓷耐磨刀闸阀应用规范:

     设计与制造  GB/T 8691
     连接端尺寸  结构长度 GB/T 15188.2 
     法兰尺寸  JB/T 79.1
     检验与试验  JB/T 8691
     材料 碳钢   GB/T 12229
     不锈钢  GB/T 12230
    标志   GB/T 12220
    供货   GB/T 12252


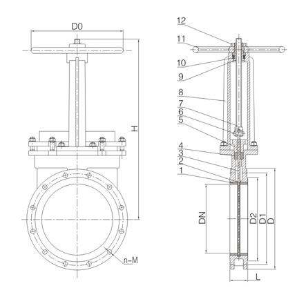
    陶瓷耐磨刀闸阀零件材料:

    序号  名称  材料  序号  名称  材料
     1  阀座  结构陶瓷  7  阀杆  2Cr13
     2  阀体  WCB  8  支架 WCB 
     3 阀板   304+结构陶瓷  9 螺母   青铜
     4  填料  柔性石墨  10  轴承  
     5  填料压盖  WCB  11  手轮  Qt400
     6 锁轴   2Cr13  12  圆螺母  25#


    陶瓷耐磨刀闸阀外形结构图:


    陶瓷耐磨刀闸阀连接尺寸:

    DN  PN(Mpa)  L  D  D1  D2  H n-M D0  b
      50   1.0  43  165  125  100  285  4-M16  180  12
     65  46  185  145  120  295  4-M16  180  12
     80  46  200  160  135  315  8-M16  220  12
     100  52  220  180  155  365  8-M16  220  12
     125  56  250  210  185  400  8-M16  230  12
     150  56  285  240  210  475  8-M20  280  14
     200  60  340  295  265  540  12-M20  360  14
     250  68  405  355  320  630  12-M24  360  16
     300  78  460  410  375  780  12-M24  400  16
     350  90  520  470  435  885  16-M24  400  16
     400  90  580  525  485  990  16-M27  400  18
     450  90  640  585  545  1100  20-M27  530  18
     500  114  715  650 608  1200  20-M30  530  18
     600  154  840  770  718   1450  20-M33  600  20

    陶瓷耐磨刀闸阀安装维护说明:
    1、陶瓷耐磨刀闸阀安装前须检查阀门腔内和密封面等部位,不允许有污物或砂粒附着
    2陶瓷耐磨刀闸阀各连接部位螺栓,要求均匀拧紧
    3检查填料部位要求压紧,既保证填料的密封性,也要保证闸板开启灵活;
    4用户在安装阀门前,必须校对阀门型号,连接尺寸及注意介质流向,保证与阀门要求一致性;
    5用户在安装阀门时,必须预留阀门驱动的必要空间;
    6驱动装置的接线须按线路图进行;
    7、陶瓷耐磨刀闸阀必须定期保养,不得随意碰撞及挤压,以免影响密封。

    提示:本文中所有文字、数据、图片均只适用于参考,需要了解更详细的【陶瓷耐磨刀闸阀】参数、选型、价格等请联系我们,我们将竭诚为您服务!