- 加拿大28
- 电话:021-51875578
- 传真:021-57443237
- 手机:13916747333
- 邮箱:a15566@126.com
- 地址:奉贤区工业综合开发区942号
当前位置:首页 >> 真空阀门
>> 真空蝶阀 >> GIQ-B型气动高真空蝶阀 更新时间 2025-12-4 21:18:01
真空蝶阀
| GIQ-B型气动高真空蝶阀 |
![]() |
产品名称: | GIQ-B型气动高真空蝶阀 | |||||
| 型号: | GIQ-B | ||||||
| 口径: | DN50-400 | ||||||
| 压力: | 0.6×106 ~1.3×10-4 | ||||||
| 材质: | 304、316、316L不锈钢 | ||||||
|
|||||||
| 您正在浏览:【GIQ-B型气动高真空蝶阀】 | |||||||
GIQ-B型气动高真空蝶阀详细介绍
GIQ-B型气动高真空蝶阀产品概述:
GIQ-B型系列气动高真空蝶阀的气动执行器是以压缩空气为动力,通过电磁换向阀改变气路方向,推动活塞齿条、齿轮的机械运动,以角行程输出扭矩来驱动蝶阀,作启闭运动。从而达到接通或切断真空管路中气流的目的,是目前一种新型的气动执行器控制的气动蝶阀,分为双作用和单作用(弹簧复位)气缸。可选配反馈信号装置及电气阀门定位器。适用的工作介质为空气和非腐蚀性气体。
GIQ-B型气动高真空蝶阀技术性能:
-25~+80(密封材料为丁腈橡胶) |
|
标准出厂:AC220V/50Hz开关型 |
|

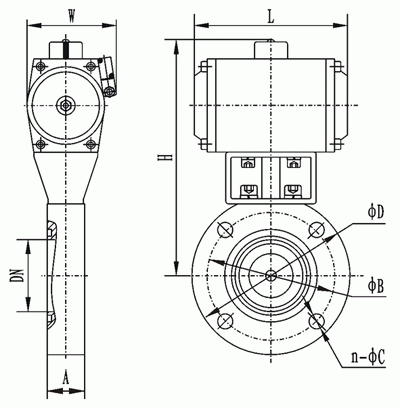
GIQ-B型气动高真空蝶阀连接尺寸:
提示:本文中所有文字、数据、图片均只适用于参考,需要了解更详细的【GIQ-B型气动高真空蝶阀】参数、选型、价格等请联系我们,我们将竭诚为您服务!



















