• 加拿大28
  • 电话:021-51875578
  • 传真:021-57443237
  • 手机:13916747333
  • 邮箱:a15566@126.com
  • 地址:奉贤区工业综合开发区942号
当前位置:首页 >> 真空阀门 >> 电磁真空充气阀 >> DDC-JQ-B电磁真空带充气阀
更新时间 2025-12-4 21:18:12


电磁真空充气阀
    DDC-JQ-B电磁真空带充气阀
    DDC-JQ-B电磁真空带充气阀   产品名称: DDC-JQ-B电磁真空带充气阀
    型号:DDC-JQ-B
    口径:DN16-100
    压力:0.6×106 ~1.3×10-4
    材质:304、316、316L不锈钢

    良大优势:

    1、质量稳定:实行全过程质量监控
    细心把关,全方位检测!
    2、价格合理:高效率的成本控制
    减少开支,让利于客户!
    3、交货快捷:充足的库存,便捷的物流
    严格按照合同期交货!

    订货须知:

    请您尽量提供详细参数
    ①名称 ②型号 ③口径 ④压力 ⑤材质
    ⑥连接 ⑦传动 ⑧温度 ⑨介质 ⑩附件

    良大服务:

    提供全套流体控制解决方案,良大阀门
    售前、售中、售后专业服务。
    您正在浏览:【DDC-JQ-B电磁真空带充气阀

       DDC-JQ-B电磁真空带充气阀详细介绍


    DDC-JQ-B电磁真空带充气阀产品概述:

    DDC-JQ-B型系列电磁真空带充气阀是安装在机械式真空泵上的专用阀门。阀门与泵接在同一电源上,泵的开启与停止直接控制了阀的开启与关闭。当泵停止工作或电源中断时,阀能自动将真空系统封闭,并将阀的充气孔打开,大气快速充入到泵腔,从而避免泵油逆流污染真空系统。适用的工作介质为空气及非腐蚀性气体。

    DDC-JQ-B电磁真空带充气阀技术性能:
    适用范围(Pa)
    105~1x10-2
    阀门漏率(Pa.L/S)
    <6.7x10-4
    适用温度(℃)
    -25~+50
    线圈温升(℃)
    ≤65
    开闭时间(S)
    ≤3
    电源电压(V/Hz)
    220±10%/50

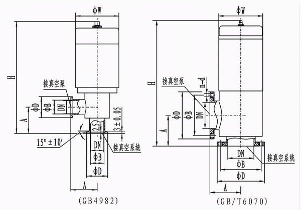
    DDC-JQ-B电磁真空带充气阀外形结构图:


    DDC-JQ-B电磁真空带充气阀连接尺寸:
    型号
    通径(DN)
    ΦW
    ΦD
    ΦB
    H
    A
    n-d
    法兰标准
    DDC-JQ16B
    16
    68
    30
    17.2
    191
    40
    /
    GB4982
    DDC-JQ25B
    25
    82
    40
    26.2
    202
    50
    DDC-JQ32B
    32
    92
    55
    41.2
    244
    50
    DDC-JQ40B
    40
    110
    55
    41.2
    275
    65
    DDC-JQ50B
    50
    125
    110
    90
    314
    80
    4-Φ9
    GB/T6070
    DDC-JQ65B
    65
    135
    130
    110
    343
    88
    4-Φ9
    DDC-JQ80B
    80
    135
    145
    125
    387
    95
    4-Φ9
    DDC-JQ100B
    100
    165
    165
    145
    399
    108
    8-Φ9

    提示:本文中所有文字、数据、图片均只适用于参考,需要了解更详细的【DDC-JQ-B电磁真空带充气阀】参数、选型、价格等请联系我们,我们将竭诚为您服务!