• 加拿大28
  • 电话:021-51875578
  • 传真:021-57443237
  • 手机:13916747333
  • 邮箱:a15566@126.com
  • 地址:奉贤区工业综合开发区942号
当前位置:首页 >> 闸阀 >> 排污阀 >> 快速排污阀
更新时间 2025-12-4 21:22:49


排污阀
    快速排污阀
    快速排污阀   产品名称: 快速排污阀
    型号:P44H
    口径:DN15-200
    压力:1.6-6.4MPa
    材质:铸钢、不锈钢等

    良大优势:

    1、质量稳定:实行全过程质量监控
    细心把关,全方位检测!
    2、价格合理:高效率的成本控制
    减少开支,让利于客户!
    3、交货快捷:充足的库存,便捷的物流
    严格按照合同期交货!

    订货须知:

    请您尽量提供详细参数
    ①名称 ②型号 ③口径 ④压力 ⑤材质
    ⑥连接 ⑦传动 ⑧温度 ⑨介质 ⑩附件

    良大服务:

    提供全套流体控制解决方案,良大阀门
    售前、售中、售后专业服务。
    您正在浏览:【快速排污阀

       快速排污阀详细介绍


    快速排污阀产品概述:

    快速排污阀是由闸阀演变而来的,利用齿轮旋转90度带动阀杆提升实现开启和关闭的目的。力矩小,操作简便,易实现快速启闭。快速排污阀不仅结构简单、密封性好,而且体积小、重量轻、材料耗用少、安装尺寸小,驱动力矩小。快速排污阀高压锅炉的定期排污,可以五个通道同时排污,也可以一个通道排污,也有自动排气阀功能。


    快速排污阀产品优点:

    1、阀体与阀盖采用夹箍式连接,结构紧凑,拆卸方便,便于安装,支管为焊接连接。

    2、采用压力自紧式密封结构,密封圈由成型的石棉盘根制成,介质压力越高、密封性越好。

    3、介质由支管流入向下排污。

    4、阀瓣为活塞式结构,并进行渗硼处理。耐腐蚀、抗冲蚀、使用寿命长。


    快速排污阀性能规范:
    型   号 公称压力 试验压力Ps(MPa) 适用介质 适用介质(℃)
    P44H-16C 1.6 2.4 1.8 水、蒸汽 ≤250
    P44H-16C          
    P44H-25C 2.5 3.8 2.8    
    P44H-25C         ≤425
    P44H-40C 4.0 6.0 4.4    
    P44H-40C         ≤250

    快速排污阀零件材料:

    零件名称 阀体、阀盖 阀座、闸板 阀  杆 齿轮轴 填  料 垫 片 扳 手
     P44H-16C P44H-25 P44H-40 铸钢 铬不锈钢 铬不锈钢 铬不锈钢 油浸石墨 石棉盘根 橡胶石 棉板 球墨铸铁

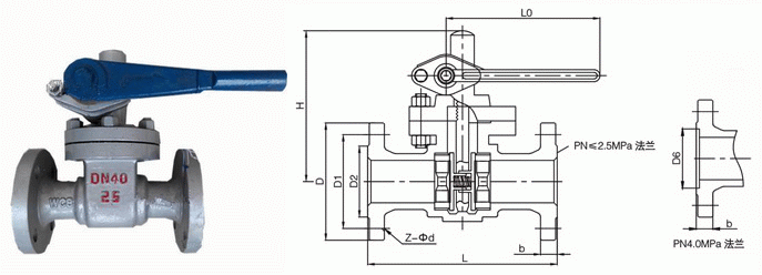
    快速排污阀外形结构图:


    快速排污阀连接尺寸:
    公称压力 PN(MPa) 公称通径 DN(mm)   重量(kg)
    L D D1 D2 D6 b ZΦd H LO  
    1.6 25 160 115 85 65 - 14 4-Φ14 160 180 10
    32 200 135 100 78 - 16 4-Φ18 180 200 11
    40 230 145 110 85 - 16 4-Φ18 220 220 16
    50 250 160 125 100 - 16 4-Φ18 230 240 20
    65 265 180 145 120 - 18 4-Φ18 250 280 28
    80 280 195 160 135 - 20 8-Φ18 280 350 38
    2.5 25 160 115 85 65 - 16 4-Φ14 160 180 10
    32 200 135 100 78 - 18 4-Φ18 180 200 11
    40 200 145 110 85   18 4-Φ18 220 220 16
    50 250 160 125 100 - 20 4-Φ18 230 240 20
    65 265 180 145 120 - 22 8-Φ18 250 280 28
    80 280 195 160 135 - 22 8-Φ18 280 350 38
    4.0 25 160 115 85 65 58 16 4-Φ14 160 180 10
    32 180 135 100 78 66 18 4-Φ18 180 200 11
    40 230 145 110 85 76 18 4-Φ18 220 220 16
    50 250 160 125 100 88 20 4-Φ18 230 240 20
    65 265 180 145 125 110 22 8-Φ18 250 280 28
    80 280 195 160 135 121 22 8-Φ18 280 350 38

    提示:本文中所有文字、数据、图片均只适用于参考,需要了解更详细的【快速排污阀】参数、选型、价格等请联系我们,我们将竭诚为您服务!