- 加拿大28
- 电话:021-51875578
- 传真:021-57443237
- 手机:13916747333
- 邮箱:a15566@126.com
- 地址:奉贤区工业综合开发区942号
当前位置:首页 >> 闸阀
>> 排污阀 >> 不锈钢快速排污阀 更新时间 2025-12-4 21:27:59
排污阀
| 不锈钢快速排污阀 |
![]() |
产品名称: | 不锈钢快速排污阀 | |||||
| 型号: | P48H | ||||||
| 口径: | DN25-200 | ||||||
| 压力: | 1.0-6.4MPa | ||||||
| 材质: | 铸钢、不锈钢等 | ||||||
|
|||||||
| 您正在浏览:【不锈钢快速排污阀】 | |||||||
不锈钢快速排污阀详细介绍
不锈钢快速排污阀产品概述:
不锈钢快速排污阀是一种由阀体、阀盖、阀杆、阀瓣、阀座、齿轮轴及扳手等部件构成的液底间断浮动闸板型直通式排污阀,其利用齿轮旋转90度带动阀杆提升实现开启和关闭的目的。该阀直接依靠介质压力产生的作用力来帮助作用于阀瓣上的机械载荷密封的,作用在阀瓣上的机械载荷主要是来自压缩弹簧,这种几乎是固定的机械载荷,虽然对于压缩弹簧加载的阀门可以通过调整弹簧力来达到良好密封,但密封压差必须足够强,以保证足够的密封力,从而在阀正常运行时达到密封,密封压差还应小于启闭压差,以确保开启灵活。
不锈钢快速排污阀产品优点:
不锈钢快速排污阀不仅结构简单、密封性好,而且体积小、重量轻、材料耗用少、安装尺寸小,特别是驱动力矩小,操作简便,易实现快速启闭,特别适合安装于锅炉、压力容器等液底位置,用于间断排除沉积在液底的杂质。
不锈钢快速排污阀技术规范:
不锈钢快速排污阀零件材料:
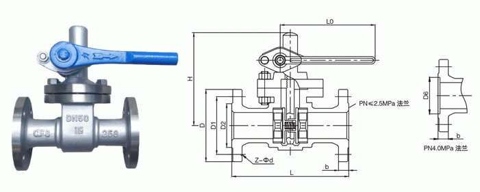
不锈钢快速排污阀外形结构图:
不锈钢快速排污阀连接尺寸:
提示:本文中所有文字、数据、图片均只适用于参考,需要了解更详细的【不锈钢快速排污阀】参数、选型、价格等请联系我们,我们将竭诚为您服务!























