- 加拿大28
- 电话:021-51875578
- 传真:021-57443237
- 手机:13916747333
- 邮箱:a15566@126.com
- 地址:奉贤区工业综合开发区942号
当前位置:首页 >> 陶瓷阀门
>> 陶瓷蝶阀 >> 陶瓷对夹蝶阀 更新时间 2025-12-4 21:18:58
陶瓷蝶阀
| 陶瓷对夹蝶阀 |
![]() |
产品名称: | 陶瓷对夹蝶阀 | |||||
| 型号: | D371TC | ||||||
| 口径: | DN50-300 | ||||||
| 压力: | 1.0-6.4MPa | ||||||
| 材质: | 铸钢、不锈钢 | ||||||
|
|||||||
| 您正在浏览:【陶瓷对夹蝶阀】 | |||||||
陶瓷对夹蝶阀详细介绍
陶瓷对夹蝶阀产品概述:
陶瓷对夹蝶阀是一种结构简单的调节阀,也可用于低压管道介质的开关控制采用结构陶瓷做密封副,其优良的耐腐蚀、耐高温、耐磨损及耐冲蚀性能可广泛应用于石化、冶金、造纸、电站、炼油、煤炭等行业的各类酸碱盐气体、液体、高温蒸汽、泥浆和灰渣输送系统中作调节流量或切断介质。运动部分均采用结构陶瓷材料,弧面接触加工。采用偏心结构,减小运动部分的摩擦,延长阀门的使用寿命。蝶阀部分材质可依用途更换,适用于多种高磨损、高温、高腐的特殊工况。驱动方式有手动、气动、电动等。小巧轻便,容易拆装及维修,并可在任意位置安装。结构简单、紧凑,操作扭矩小,90°回转开启迅速。流量特性趋直线,调节性能好。
陶瓷对夹蝶阀应用规范:
设计与制造
GB/T 12238
连接端尺寸
结构长度
GB/T 12221
法兰尺寸
GB/T 9113
检验与试验
JB/T 9092
材料
碳钢/304
GB/T 12229
不锈钢
GB/T 12230
标志
GB/T 12220
供货
GB/T 12252
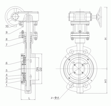
陶瓷对夹蝶阀零件材料:
序号
名称
材料
序号
名称
材料
1
阀体
WCB/304
6
阀杆
2Cr13/304
2
压圈
Q235/304
7
填料
柔性石墨
3
阀座
结构陶瓷
8
填料压盖
WCB/304
4
密封圈
结构陶瓷
9
支架
WCB/304
5
阀板
WCB/304
10
驱动装置
成品件
陶瓷对夹蝶阀外形结构图:

陶瓷对夹蝶阀连接尺寸:
DN
PN(Mpa)
L
D1
D2
H
H1
z-Φd
50
1.0
43
125
100
260
85
4-Φ18
65
46
145
120
285
95
4-Φ18
80
49
160
135
322
110
4-Φ18
100
56
180
155
338
122
8-Φ18
125
64
210
185
372
138
8-Φ18
150
70
240
210
404
158
8-Φ23
200
71
295
265
496
188
8-Φ23
250
76
350
320
558
224
12-Φ23
300
83
400
368
632
254
12-Φ23
陶瓷对夹蝶阀是一种结构简单的调节阀,也可用于低压管道介质的开关控制采用结构陶瓷做密封副,其优良的耐腐蚀、耐高温、耐磨损及耐冲蚀性能可广泛应用于石化、冶金、造纸、电站、炼油、煤炭等行业的各类酸碱盐气体、液体、高温蒸汽、泥浆和灰渣输送系统中作调节流量或切断介质。运动部分均采用结构陶瓷材料,弧面接触加工。采用偏心结构,减小运动部分的摩擦,延长阀门的使用寿命。蝶阀部分材质可依用途更换,适用于多种高磨损、高温、高腐的特殊工况。驱动方式有手动、气动、电动等。小巧轻便,容易拆装及维修,并可在任意位置安装。结构简单、紧凑,操作扭矩小,90°回转开启迅速。流量特性趋直线,调节性能好。
陶瓷对夹蝶阀应用规范:
设计与制造 |
GB/T 12238 |
|
连接端尺寸 |
结构长度 |
GB/T 12221 |
法兰尺寸 |
GB/T 9113 |
|
检验与试验 |
JB/T 9092 |
|
材料 |
碳钢/304 |
GB/T 12229 |
不锈钢 |
GB/T 12230 |
|
标志 |
GB/T 12220 |
|
供货 |
GB/T 12252 |
|
陶瓷对夹蝶阀零件材料:
序号 |
名称 |
材料 |
序号 |
名称 |
材料 |
1 |
阀体 |
WCB/304 |
6 |
阀杆 |
2Cr13/304 |
2 |
压圈 |
Q235/304 |
7 |
填料 |
柔性石墨 |
3 |
阀座 |
结构陶瓷 |
8 |
填料压盖 |
WCB/304 |
4 |
密封圈 |
结构陶瓷 |
9 |
支架 |
WCB/304 |
5 |
阀板 |
WCB/304 |
10 |
驱动装置 |
成品件 |
陶瓷对夹蝶阀外形结构图:

陶瓷对夹蝶阀连接尺寸:
DN |
PN(Mpa) |
L |
D1 |
D2 |
H |
H1 |
z-Φd |
50 |
1.0 |
43 |
125 |
100 |
260 |
85 |
4-Φ18 |
65 |
46 |
145 |
120 |
285 |
95 |
4-Φ18 |
|
80 |
49 |
160 |
135 |
322 |
110 |
4-Φ18 |
|
100 |
56 |
180 |
155 |
338 |
122 |
8-Φ18 |
|
125 |
64 |
210 |
185 |
372 |
138 |
8-Φ18 |
|
150 |
70 |
240 |
210 |
404 |
158 |
8-Φ23 |
|
200 |
71 |
295 |
265 |
496 |
188 |
8-Φ23 |
|
250 |
76 |
350 |
320 |
558 |
224 |
12-Φ23 |
|
300 |
83 |
400 |
368 |
632 |
254 |
12-Φ23 |
提示:本文中所有文字、数据、图片均只适用于参考,需要了解更详细的【陶瓷对夹蝶阀】参数、选型、价格等请联系我们,我们将竭诚为您服务!



















