- 加拿大28
- 电话:021-51875578
- 传真:021-57443237
- 手机:13916747333
- 邮箱:a15566@126.com
- 地址:奉贤区工业综合开发区942号
当前位置:首页 >> 真空阀门
>> 真空挡板阀 >> GDQ-J(b)型电、气动高真空挡板阀 更新时间 2025-12-4 21:18:34
真空挡板阀
| GDQ-J(b)型电、气动高真空挡板阀 |
![]() |
产品名称: | GDQ-J(b)型电、气动高真空挡板阀 | |||||
| 型号: | GDQ-J(b) | ||||||
| 口径: | DN10-40 | ||||||
| 压力: | 0.6×106 ~1.3×10-4 | ||||||
| 材质: | 铸钢、不锈钢 | ||||||
|
|||||||
| 您正在浏览:【GDQ-J(b)型电、气动高真空挡板阀】 | |||||||
GDQ-J(b)型电、气动高真空挡板阀详细介绍
GDQ-J(b)型电、气动高真空挡板阀产品概述:
GDQ-J(b)型系列电、气动高真空挡板阀(又称角阀)采用波纹管密封,以电信号作为阀门开关信号,依靠压缩空气作为阀板启闭动力,在失去电源或压缩空气时,阀门将依靠弹簧自动关闭阀门,作为高真空管路中的启闭机构,本阀具有工作平稳、密封可靠、寿命长等一系列优点,是真空设备的自动化首选阀门之一。阀门适用介质为空气及非腐蚀性气体。
GDQ-J(b)型电、气动高真空挡板阀技术性能:
-25~+40 |
|
标准出厂:AC220V/50Hz |
|

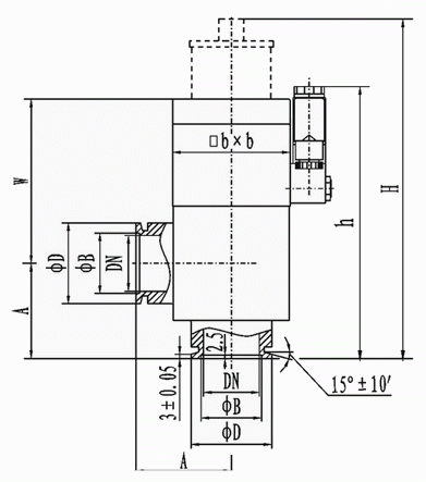
GDQ-J(b)型电、气动高真空挡板阀连接尺寸:
提示:本文中所有文字、数据、图片均只适用于参考,需要了解更详细的【GDQ-J(b)型电、气动高真空挡板阀】参数、选型、价格等请联系我们,我们将竭诚为您服务!



















