• 加拿大28
  • 电话:021-51875578
  • 传真:021-57443237
  • 手机:13916747333
  • 邮箱:a15566@126.com
  • 地址:奉贤区工业综合开发区942号
当前位置:首页 >> 真空阀门 >> 真空蝶阀 >> GIQ型气动高真空蝶阀
更新时间 2025-12-4 21:18:00


真空蝶阀
    GIQ型气动高真空蝶阀
    GIQ型气动高真空蝶阀   产品名称: GIQ型气动高真空蝶阀
    型号:GIQ
    口径:DN40-500
    压力:0.6×106 ~1.3×10-4
    材质:304、316、316L不锈钢

    良大优势:

    1、质量稳定:实行全过程质量监控
    细心把关,全方位检测!
    2、价格合理:高效率的成本控制
    减少开支,让利于客户!
    3、交货快捷:充足的库存,便捷的物流
    严格按照合同期交货!

    订货须知:

    请您尽量提供详细参数
    ①名称 ②型号 ③口径 ④压力 ⑤材质
    ⑥连接 ⑦传动 ⑧温度 ⑨介质 ⑩附件

    良大服务:

    提供全套流体控制解决方案,良大阀门
    售前、售中、售后专业服务。
    您正在浏览:【GIQ型气动高真空蝶阀

       GIQ型气动高真空蝶阀详细介绍


    GIQ型气动高真空蝶阀产品概述:

    GIQ型系列气动高真空蝶阀适用于高真空系统中用来接通或截止气流之用。气动高真空蝶阀以压缩空气为动力,通过电磁换向阀改变气路方向,执行气缸推动,使固定在转动轴上的阀板旋转90°实现阀门的开启和关闭。适用的工作介质为空气和非腐蚀性气体。气动执行器控制的气动蝶阀,分为双作用和单作用(弹簧复位)气缸。可选配信号反馈控制,防爆电气装置及气源处理元件。

    GIQ型气动高真空蝶阀技术性能:
    适用范围(Pa)
    105~1.3x10-5
    阀门漏率(Pa.L/S)
    ≤1.3x10-6
    介质温度(℃)

    -25~+80(密封材料为丁腈橡胶)
    -30~+150(密封材料为氟橡胶) 

    气源压力(MPa)
    0.4~0.6
    法兰标准
    JB919
    安装位置
    任意
    电源电压

    标准出厂:AC220V/50Hz
    特殊指定:AC110V;DC24V;DC12V等 

    信号反馈
    标准出厂:不带反馈信号
    特殊指定:磁性开关DV/AC5~240V

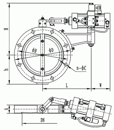
    GIQ型气动高真空蝶阀外形结构图:


    GIQ型气动高真空蝶阀连接尺寸:
    型号
    通径(DN)
    ΦD
    ΦB
    H
    A
    L
    W
    n-ΦC
    GIQ-40
    40
    85
    70
    1148
    22
     
    160 
    62 
    4-Φ7
    GIQ-50
    50
    110
    90
    161
    4-Φ9 
    GIQ-63
    63
    130
    110
    171
    26
    180
    81 
    GIQ-80
    80
    145
    125
    178
    30
     
    GIQ-100
    100
    170
    145
    192
    4-Φ12 
    GIQ-125
    125
    195
    170
    209
    35
    207
    86
    GIQ-150
    150
    220
    195
    220
     
    8-Φ12  
    GIQ-200
    200
    275
    250
    252
    40
    236
    100 
    GIQ-250
    250
    330
    300
    283
    45
    GIQ-300
    300
    380
    350
    329
    55
    280
    118
    8-Φ14
    GIQ-400
    400
    500
    465
    389
    60
    303
    136
    8-Φ18

    提示:本文中所有文字、数据、图片均只适用于参考,需要了解更详细的【GIQ型气动高真空蝶阀】参数、选型、价格等请联系我们,我们将竭诚为您服务!